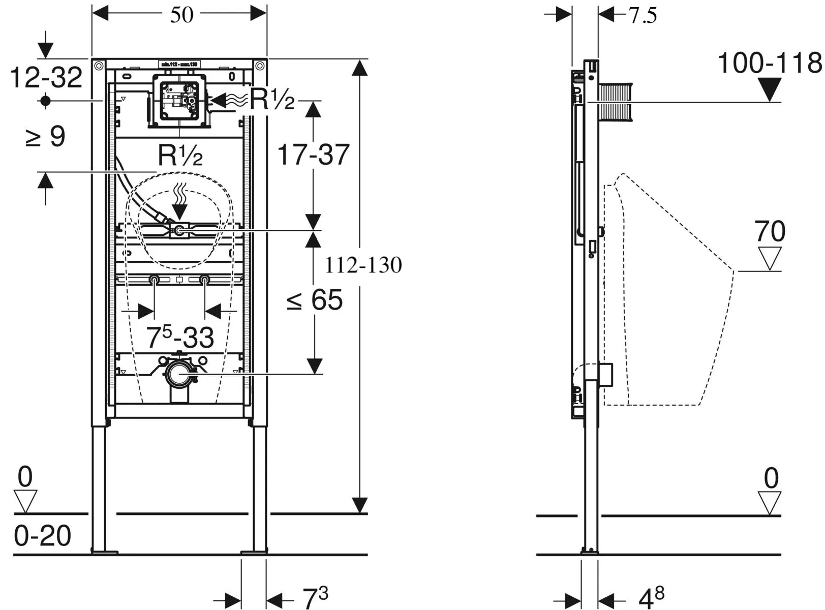
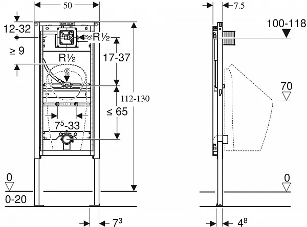
Инсталляция для писсуара Geberit Duofix 111.676.00.1
Код товара 00-00054586
Доставка:
до МКАД, 500 ₽
Доставка
1-3 дня
Характеристики
Общие
| Бренд | Geberit |
| Коллекция | Duofix |
| Артикул | 111.676.00.1 |
| Страна бренда | Швейцария |
| Гарантия | 10 лет |
| Область применения | бытовая |
| Назначение | Для писсуаров |
| Дополнительная информация | универсальная, для распыляющей форсунки |
| Метод крепления | В капитальную стену, В пол |
| Код из 1С | 00-00054586 |
Габариты
| Ширина | 50 см |
| Высота | 112 см |
Внешнее исполнение
| Угловая модель | Нет |
Технические характеристики
| Диаметр слива, см | 5 |
| Режим слива | Одна кнопка (полный слив) |
| Расстояние между шпильками | 18;23 |
| Диаметр переходника для слива, см | 5 |
Дополнительное оборудование
| Крепления | Да, в комплекте |
| Шумоизоляция | Нет, приобретается отдельно |